Перейти к содержимому
P Pnevmo.kz
Корзина

Коническая зубчатая пара, передат. число: 1:1, M=2, Z1=26, Z2=26 C28B261 Sati

Артикул: 782224447
28 448 ₸
Цена может уточняться у менеджера
в наличие
Срок доставки: 1 - 7 дней

Описание

*

Характеристики

Артикул
782224447
Вес
0,55 кг
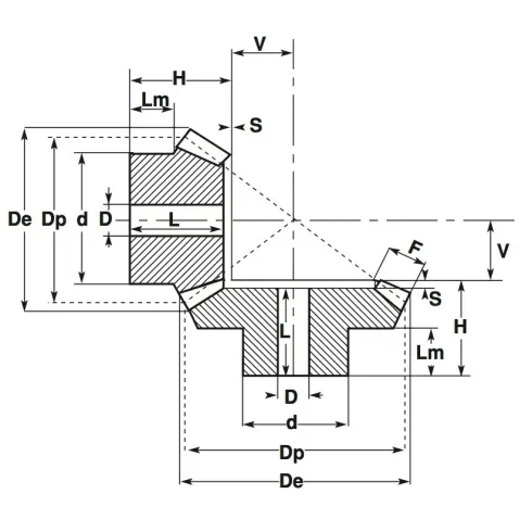
Внутренний диаметр
12 мм
Внутренний стандарт
IDO28456
Диаметр делительной окружности
52 мм
Зазор от ступицы до зубчатого венца
14 мм
Количество зубьев
26
Количество зубьев 2
26
Модуль
2
Наименование
Коническая зубчатая пара
Наружный диаметр зубчатого венца
54,8 мм
Наружный диаметр ступицы
35 мм
Производитель
Sati
Радиус окружности от зубьев до центра
16,6 мм
Родина бренда
Италия
Серия товара
ZP-S
Ширина зубьев
12 мм
Ширина шестерни
31,4 мм

Похожие товары

Смотреть все →