Перейти к содержимому
P Pnevmo.kz
Корзина

Коническая зубчатая пара, передат. число: 1:1, M=1,5, Z1=19, Z2=19 C27B191 Sati

Артикул: 782224476
Цена по запросу
Отправим КП в течение 1 часа
в наличие
Срок доставки: 1 - 7 дней

Описание

*

Характеристики

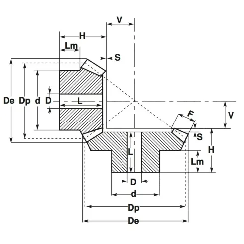
Артикул
782224476
Вес
0,1 кг
Внутренний диаметр
8 мм
Внутренний стандарт
IDO28456
Диаметр делительной окружности
28,5 мм
Зазор от ступицы до зубчатого венца
12 мм
Количество зубьев
19
Количество зубьев 2
19
Модуль
1,5
Наименование
Коническая зубчатая пара
Наружный диаметр зубчатого венца
30,6 мм
Наружный диаметр ступицы
20 мм
Производитель
Sati
Радиус окружности от зубьев до центра
8,7 мм
Родина бренда
Италия
Серия товара
ZP-S
Ширина зубьев
7 мм
Ширина шестерни
21,3 мм

Похожие товары

Смотреть все →