Перейти к содержимому
P Pnevmo.kz
Корзина

Коническая зубчатая пара, передат. число: 1:1, M=1,5, Z1=16, Z2=16 C27B161 Sati

Артикул: 782224480
Цена по запросу
Отправим КП в течение 1 часа
в наличие
Срок доставки: 1 - 7 дней

Описание

*

Характеристики

Артикул
782224480
Вес
0,08 кг
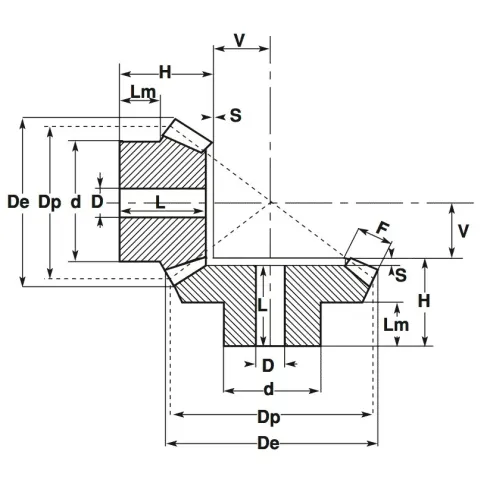
Внутренний диаметр
8 мм
Внутренний стандарт
IDO28456
Диаметр делительной окружности
24 мм
Зазор от ступицы до зубчатого венца
12 мм
Количество зубьев
16
Количество зубьев 2
16
Модуль
1,5
Наименование
Коническая зубчатая пара
Наружный диаметр зубчатого венца
26,1 мм
Наружный диаметр ступицы
20 мм
Производитель
Sati
Радиус окружности от зубьев до центра
7,1 мм
Родина бренда
Италия
Серия товара
ZP-S
Ширина зубьев
6 мм
Ширина шестерни
18,9 мм

Похожие товары

Смотреть все →