Перейти к содержимому
P Pnevmo.kz
Корзина

Коническая зубчатая пара, передат. число: 1:1, M=1, Z1=30, Z2=30 C26B301 Sati

Артикул: 782224448
20 083 ₸
Цена может уточняться у менеджера
в наличие
Срок доставки: 1 - 7 дней

Описание

*

Характеристики

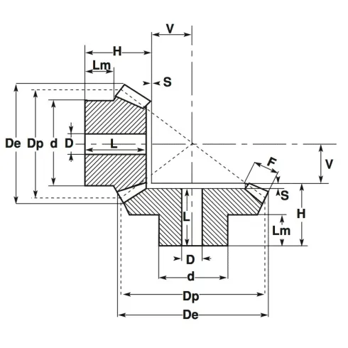
Артикул
782224448
Вес
0,1 кг
Внутренний диаметр
5 мм
Внутренний стандарт
IDO28456
Диаметр делительной окружности
30 мм
Зазор от ступицы до зубчатого венца
8 мм
Количество зубьев
30
Количество зубьев 2
30
Модуль
1
Наименование
Коническая зубчатая пара
Наружный диаметр зубчатого венца
31,4 мм
Наружный диаметр ступицы
20 мм
Производитель
Sati
Радиус окружности от зубьев до центра
10 мм
Родина бренда
Италия
Серия товара
ZP-S
Ширина зубьев
6,4 мм
Ширина шестерни
16 мм

Похожие товары

Смотреть все →