Перейти к содержимому
P Pnevmo.kz
Корзина

Коническая зубчатая пара, передат. число: 1:1, M=1, Z1=22, Z2=22 C26B221 Sati

Артикул: 782224460
Цена по запросу
Отправим КП в течение 1 часа
в наличие
Срок доставки: 1 - 7 дней

Описание

*

Характеристики

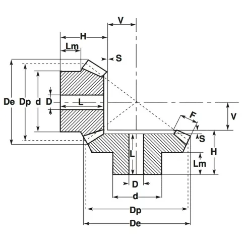
Артикул
782224460
Вес
0,044 кг
Внутренний диаметр
5 мм
Внутренний стандарт
IDO28456
Диаметр делительной окружности
22 мм
Зазор от ступицы до зубчатого венца
6 мм
Количество зубьев
22
Количество зубьев 2
22
Модуль
1
Наименование
Коническая зубчатая пара
Наружный диаметр зубчатого венца
23,4 мм
Наружный диаметр ступицы
16 мм
Производитель
Sati
Радиус окружности от зубьев до центра
7,2 мм
Родина бренда
Италия
Серия товара
ZP-S
Ширина зубьев
4,7 мм
Ширина шестерни
12,8 мм

Похожие товары

Смотреть все →